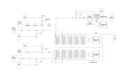
半自動連續化反應系統組成部分
                            2021-08-11 09:22:23
                            
                                
                                                            
                        
                    微通道反應器主要用于精細化學品的合成過程、微/納米顆粒材料的制備和日用及醫用化學品的生產, 尤其在放熱劇烈的反應、反應物或產物不穩定的反應、反應物配比要求嚴格的快速反應、危險化學反應及高溫高壓反應等領域,展現優良性能和巨大優勢。 從反應底物相態分析,適合于液液/氣液反應,固液反應也可以通過升溫、溶劑溶解等方式實現反應。但對于粘度較大(100cp以上)固體參與或形成的反應并不是很適合。
邁庫弗洛根據經驗和客戶使用反饋,不斷優化創新保障產品性能穩定。多元化的產品根據實際實驗和使用場景設計和定制化服務能夠滿足不同用戶在不同場景下的靈活組合使用需求。連續化裝備常規由四大部分組成:反應模塊/換熱系統、反饋和調節系統、支架/撬裝等。
連續流反應系統按照順序依次為原料儲罐、進料系統(計量泵包括:柱塞泵、隔膜泵、蠕動泵、注射泵等,控制流量和壓力)、反應系統(反應器、換熱系統/控溫一體機、無紙記錄儀)、產物儲罐等。 如進行氣液反應還需要用到氣瓶、流量計、減壓閥(安全閥)、背壓閥(反應需高壓工況下,保障氣液反應時的壓力或液液反應需高壓低流速時)等;針對需要的分離、純化等操作還可以外加如回流冷凝器、萃取分離器等。
反應原料通過不同結構微通道完成混合反應,根據需求可串/并聯多組反應模塊增加反應停留時間和提高產量,同時也可以實現多種原料按序進料,配合換熱系統精準控溫反應溫度從而實現工藝開發、產品安全生產。
邁庫弗洛耐溫耐壓微通道反應器材質包括玻璃、石英、碳化硅、金屬(316L,HC-276、鋯材、蒙乃爾)等,滿足不同場景需求。
